|Your Location:
Home>>Catalog
Ball Screws
|
Model No.
|
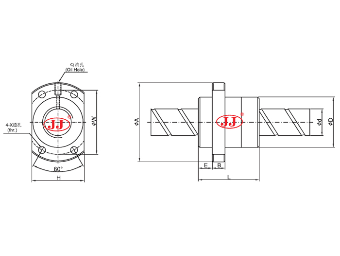
Dimensions(mm)
|
Inventory
|
| d |
I |
Da |
D |
A |
E |
B |
L |
W |
X |
H |
Q |
n |
Ca |
Coa |
k |
|
SFY01616-3.6
|
16
|
16
|
2.778
|
32
|
53
|
10.1
|
10
|
45
|
42
|
4.5
|
34
|
M6
|
1.8×2
|
1073
|
2551
|
31
|
○
|
|
SFY02020-3.6
|
20
|
20
|
3.175
|
39
|
62
|
13
|
10
|
52
|
50
|
5.5
|
41
|
M6
|
1.8×2
|
1387
|
3515
|
37
|
○
|
|
SFY02525-3.6
|
25
|
25
|
3.969
|
47
|
74
|
15
|
12
|
64
|
60
|
6.6
|
49
|
M6
|
1.8×2
|
2074
|
5494
|
45
|
○
|
|
SFY03232-3.6
|
32
|
32
|
4.762
|
58
|
92
|
17
|
12
|
78
|
74
|
9
|
60
|
M6
|
1.8×2
|
3021
|
8690
|
58
|
○
|
|
SFY04040-3.6
|
40
|
40
|
6.35
|
73
|
114
|
19.5
|
15
|
99
|
93
|
11
|
75
|
M6
|
1.8×2
|
4831
|
14062
|
70
|
○
|
|
SFY05050-3.6
|
50
|
50
|
7.938
|
90
|
135
|
21.5
|
20
|
117
|
112
|
14
|
92
|
M6
|
1.8×2
|
7220
|
21974
|
86
|
○
|
|
SFY01632-1.6
|
16
|
32
|
2.778
|
32
|
53
|
10.1
|
10
|
42.5
|
42
|
4.5
|
34
|
M6
|
0.8×2
|
493
|
1116
|
11
|
○
|
|
SFY02040-1.6
|
20
|
40
|
3.175
|
39
|
62
|
13
|
10
|
48
|
50
|
5.5
|
41
|
M6
|
0.8×2
|
653
|
1597
|
15
|
○
|
|
SFY02550-1.6
|
25
|
50
|
3.969
|
47
|
74
|
15
|
12
|
58
|
60
|
6.6
|
49
|
M6
|
0.8×2
|
976
|
2495
|
19
|
○
|
|
SFY03264-1.6
|
32
|
64
|
4.762
|
58
|
92
|
17
|
12
|
71
|
74
|
9
|
60
|
M6
|
0.8×2
|
1374
|
3571
|
22
|
○
|
|
SFY04080-1.6
|
40
|
80
|
6.35
|
73
|
114
|
19.5
|
15
|
90
|
93
|
11
|
75
|
M6
|
0.8×2
|
2273
|
6387
|
29
|
○
|
|
SFY050100-1.6
|
50
|
100
|
7.938
|
90
|
135
|
21.5
|
20
|
111
|
112
|
14
|
92
|
M6
|
0.8×2
|
3398
|
9980
|
35
|
○
|

